• EJ Series 塑膠過濾器
  • EJ Series 塑膠過濾器
  • EJ Series 塑膠過濾器

EJ Series 塑膠過濾器

・EJ 由100%高品質聚丙烯製成,無任何化學物質或著色劑等釋出。

・原料材質符合FDA規範,可應用於食品、飲料、飲用水和高純度化學品的過濾。

・可選用PP 聚丙烯材質安裝支架和板手。

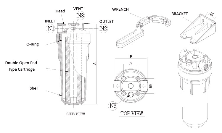
・適用於標準 10" 雙開口或 M10 濾心。

・表面光滑設計,便於安裝和維護。
型號 : EJ

材料結構 

頭蓋:強化聚丙烯(藍色)

桶身苯乙烯丙烯腈(透明), PP聚丙烯(藍色)

吊架、螺絲(可選用)PP聚丙烯(黑色)

把手可選用:PP聚丙烯(黑色)

桶身密封圈:標準-Buna-N(標準品)

                      可選用-EPDM、Viton



最大操作壓力 


・EJ-P : 150 psig (10 bar) @ 77°F (25°C) 用於液體過濾
・EJ-C : 100 psig (7 bar) @ 77°F (25°C) 用於液體過濾。

接口尺寸  

/出水口3/4" PT或3/4" NPT 


Model
Max. Liquid Flow Rate
gpm (lpm)

Dimension
Inch (mm)

Weight
lbs (kg)
A B N1 N2 N3
EJ10P-3/4
10 (37.9lpm)
12.7"(324)
5.2"(131)
3/4"
3/4"
Push Button
2.5lbs (1.15kg)
EJ10C-3/4
10 (37.9lpm)
12.7"(324)
5.2"(131)
3/4"
3/4"
Push Button
2.8lbs (1.27kg)



 


相關產品

Top-Flow 334 Series 塑膠過濾器

Top-Flow 334 Series 塑膠過濾器

FJ Series 塑膠過濾器

FJ Series 塑膠過濾器

Top-Flow Series 塑膠過濾器

Top-Flow Series 塑膠過濾器

DJ-P Series 塑膠過濾器

DJ-P Series 塑膠過濾器