• FJ Series 塑膠過濾器
  • FJ Series 塑膠過濾器

FJ Series 塑膠過濾器

・FJ 由100%高品質聚丙烯製成,無任何化學物質或著色劑等釋出。

・桶身呈透明便於確認濾心和過濾器狀況。

・原料材質符合FDA規範,可應用於食品、飲料、工業用和高純度化學品的過濾。

・可選用PP 聚丙烯材質安裝支架和板手。

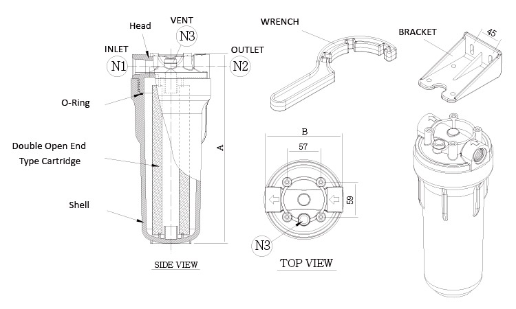
・適用於標準 10" 雙開口或 M10 濾心。

・表面光滑設計,便於安裝和維護。
型號 : FJ

材料結構 

頭蓋:高純度PP聚丙烯

桶身高純度PP聚丙烯

吊架、螺絲(可選用)PP聚丙烯(黑色)、304不鏽鋼

把手(可選用)PP聚丙烯(黑色)

桶身密封圈:標準 -Viton,

                      可選用 - Buna-N、EPDM 



最大操作壓力 


・150 psig (10 bar) @77°F (25℃) 用於液體過濾 

・92 psig (6.3 bar) @122°F (50℃) 用於液體過濾。


RoSH,FDA, Halal Certificated 




 


接口尺寸

 /出水口3/4" NPT或3/4" PT


Model
Max. Liquid Flow Rate
gpm (lpm)

Dimension
Inch (mm)

Weight
lbs (kg)
A B N1 N2 N3
FJ10P-3/4
10(37.9lpm)
12.7"(324)
5.2"(131)
3/4"
3/4"
1/4"
2.3lbs (1.05kg)




 



相關產品

Top-Flow Series 塑膠過濾器

Top-Flow Series 塑膠過濾器

Top-Flow 334 Series 塑膠過濾器

Top-Flow 334 Series 塑膠過濾器

EJ Series 塑膠過濾器

EJ Series 塑膠過濾器

DJ-P Series 塑膠過濾器

DJ-P Series 塑膠過濾器